Robot công nghiệp IRB 140

0₫

Nhà sản xuất: ABB - Thuỵ Điển

Tình trạng: Còn hàng

Robot công nghiệp IRB 140

Áp dụng cho các ngành : Dạy nghề robotics, Hàn hồ quang, Làm sạch / Phun, Xử lý vật liệu, Đóng gói, lắp ráp linh kiện... 

Robot công nghiệp IRB 140

Thông tin sản phẩm

 Model sản phẩm                     IRB 140 
 Nhà sản xuất   ABB - Thuỵ Điển  


 

 

Thông số kỹ thuật 

Robot 6 trục nhỏ, mạnh và nhanh
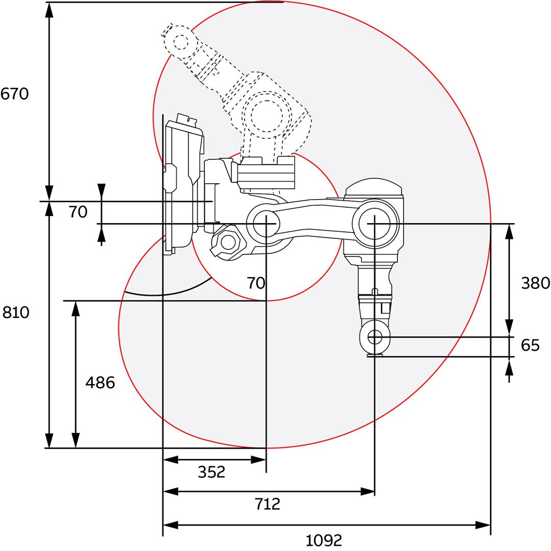
Nhỏ gọn và rất mạnh mẽ. Robot công nghiệp đa năng IRB 140 sáu trục xử lý được trọng tải 6 kg với tầm với 810 mm (đến trục 5) Nó có thể được gắn trên sàn, đảo ngược hoặc treo tường ở mọi góc độ. Thiết kế mạnh mẽ với các dây cáp tích hợp đầy đủ làm tăng thêm tính linh hoạt tổng thể và chức năng phát hiện va chạm đảm bảo robot hoạt động đáng tin cậy và an toàn.
Ứng dụng chính: Hàn hồ quang, Làm sạch / Phun, Xử lý vật liệu, Đóng gói ...

Phần mềm lập trình : RobotStudio
- Chỉ Cung cấp bản quyền miễn phí cho các trường dạy nghề khi có nhu cầu sử dụng 
 Sản phẩm lập trình mô phỏng trên máy tính hàng đầu trên thị trường hiện nay của ABB.
 Sử dụng công nghệ robot ảo ABB VirtualRobotTM
 Công nghệ MultiMove: vận hành một lúc nhiều robot ảo.
 Dễ dàng sử dụng dữ liệu từ CAD: lập trình hoạt động ảo cho robot đưa ra chương trình hoạt động chính xác nhất.
 Giao diện Microsoft Windows, mô phỏng bằng 3D.
 Phần mềm cài đặt được 100 máy cho phòng Lab, chạy trên mạng LAN
 Tài liệu giảng dạy : Tiếng Anh và tiếng Việt 
 Bao gồm đĩa CD phần mềm và giấy chứng nhận xuất xứ của nhà cung cấp sản phẩm.

Hình ảnh Của Robot công nghiệp IRB 140

 

robot-irb-140

Miêu tả khoảng làm việc của Robot công nghiệp IRB 140

 

1. Đổi trả theo nhu cầu khách hàng (đổi trả hàng vì không ưng ý)
Tất cả mặt hàng đã mua đều có thể hoàn trả trong vòng 30 ngày kể từ ngày nhận hàng (trừ khi có quy định gì khác). Chúng tôi chỉ chấp nhận đổi trả cho các sản phẩm còn nguyên điều kiện ban đầu, còn hóa đơn mua hàng & sản phẩm chưa qua sử dụng, bao gồm:
- Còn nguyên đóng gói và bao bì không bị móp rách
- Đầy đủ các chi tiết, phụ kiện
- Tem / phiếu bảo hành, tem thương hiệu, hướng dẫn kỹ thuật và các quà tặng kèm theo (nếu có) v.v… phải còn đầy đủ và nguyên vẹn
- Không bị dơ bẩn, trầy xước, hư hỏng, có mùi lạ hoặc có dấu hiệu đã qua qua sử dụng
2. Đổi trả không vì lý do chủ quan từ khách hàng
2.1. Hàng giao không mới, không nguyên vẹn, sai nội dung hoặc bị thiếu
Chúng tôi khuyến khích quý khách hàng phải kiểm tra tình trạng bên ngoài của thùng hàng và sản phẩm trước khi thanh toán để đảm bảo rằng hàng hóa được giao đúng chủng loại, số lượng, màu sắc theo đơn đặt hàng và tình trạng bên ngoài không bị tác động.
Nếu gặp trường hợp này, Quý khách vui lòng từ chối nhận hàng và/hoặc báo ngay cho bộ phận hỗ trợ khách hàng để chúng tôi có phương án xử lí kịp thời. (Xin lưu ý những bước kiểm tra sâu hơn như dùng thử sản phẩm chỉ có thể được chấp nhận sau khi đơn hàng được thanh toán đầy đủ).
Trong trường hợp khách hàng đã thanh toán, nhận hàng và sau đó phát hiện hàng hóa không còn mới nguyên vẹn, sai nội dung hoặc thiếu hàng, xin vui lòng chụp ảnh sản phẩm gửi về hộp thư của chúng tôi để được chúng tôi hỗ trợ các bước tiếp theo như đổi/trả hàng hoặc gửi sản phẩm còn thiếu đến quý khách…
Sau 48h kể từ ngày quý khách nhận hàng, chúng tôi có quyền từ chối hỗ trợ cho những khiếu nại theo nội dung như trên.
2.2. Hàng giao bị lỗi
Khi quý khách gặp trục trặc với sản phẩm đặt mua của chúng tôi, vui lòng thực hiện các bước sau đây:
- Bước 1: Kiểm tra lại sự nguyên vẹn của sản phẩm, chụp lại ảnh sản phẩm xuất hiện lỗi
- Bước 2: Quý khách liên hệ với trung tâm chăm sóc khách hàng của chúng tôi để được xác nhận
- Bước 3: Trong vòng 30 ngày kể từ ngày nhận hàng, nếu quý khách được xác nhận từ trung tâm chăm sóc khách hàng rằng sản phẩm bị lỗi kỹ thuật, quý khách vui lòng truy cập ngay Hướng dẫn đổi trả hàng để bắt đầu quy trình đổi trả hàng
3. Phương thức hoàn tiền
Tùy theo lí do hoàn trả sản phẩm kết quả đánh giá chất lượng tại kho, chúng tôi sẽ có những phương thức hoàn tiền với chi tiết như sau:
- Hoàn tiền bằng mã tiền điện tử dùng để mua sản phẩm mới
- Đổi sản phẩm mới cùng loại
- Chuyển khoản qua ngân hàng theo thông tin của quý khách cung cấp
- Riêng đối với các đơn hàng thanh toán qua thẻ tín dụng quốc tế, chúng tôi sẽ áp dụng hình thức hoàn tiền vào tài khoản thanh toán của chủ thẻ
- Hoàn tiền mặt trực tiếp tại văn phòng
Mọi chi tiết hoặc thắc mắc quý khách vui lòng liên hệ với chúng tôi qua số điện thoại hỗ trợ hoặc để lại lời nhắn tại website. Xin chân thành cảm ơn.
KD - Mr Tâm
KD - Mr Tâm
KD - Mr Tâm091 3712255
KD - Mr Hiếu
KD - Mr Hiếu
KD - Mr Hiếu 091 3109944
Dự án - Mr Tâm
Dự án - Mr Tâm
Dự án - Mr Tâm0913712255
Lên đầu trang